偷拍亚洲视频,欧美乱妇高清无乱码免费,国产内射999视频一区 http://m.greatpokerhands.cn Tue, 14 Oct 2025 01:17:24 +0000 zh-CN hourly 1 https://wordpress.org/?v=5.1.19 http://m.greatpokerhands.cn/wordpress/wp-content/uploads/2019/03/cropped-JX0309-32x32.jpg 變頻器接線圖大全 - 上海津信 http://m.greatpokerhands.cn 32 32 三菱FR-D700變頻器參數設置和基本操作 http://m.greatpokerhands.cn/others/92143.html Tue, 22 Apr 2025 02:35:58 +0000 http://m.greatpokerhands.cn/?p=92143

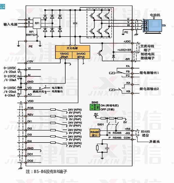
1、FR-D700變頻器主回路接線圖如下

]]>
1、FR-D700變頻器主回路接線圖如下圖

2、主回路端子說明

三菱FR-D700變頻器的操作面板及使用

1、變頻器操作面板如下圖

2、操作面板各按鍵功能

按鈕 / 旋鈕  功能  備注
PU/EXT 鍵  切換 PU / 外部操作模式  使用外部操作模式(用另外連接的頻率設定旋鈕和啟動信號運行)時,請按下此鍵,使 EXT 顯示為點亮狀態
RUN 鍵  運行指令正轉  反轉用 (Pr.40) 設定
STOP/RESET 鍵  進行運行的停止,報警的復位  -
SET 鍵  確定各設定  -
MODE 鍵  模式切換  切換各設定
 設定用旋鈕  變更頻率設定、參數的設定值  -

3、操作面板單位表示及運行狀態表示見下表

說明  指示燈顯示  備注
RUN 顯示  運行時點亮 / 閃爍  亮燈:正在運行中
慢閃爍 (1.4 秒循環):反轉運行中
快閃爍 (0.2 秒循環):非運行中
MON 顯示  監視器顯示  監視模式時亮燈
PRM 顯示  參數設定模式顯示  參數設置模式時亮燈
PU 顯示  PU 操作模式時亮燈  計算機連接運行模式時,為慢閃爍
EXT 顯示  外部操作模式時亮燈  計算機連接運行模式時,為慢閃爍
NET 顯示  網絡運行模式時亮燈  -
監視用 LED 顯示  顯示頻率、參數序號等  -

4、基本功能參數一覽表注意:只有當Pr.160“擴展功能顯示選擇”的設定值設定為“0”時,變頻器的擴展功能參數才有效。

四、設置步驟五、多段速設置參數多段速輸出編碼表

]]>
西門子MM440變頻器調試步驟詳解 http://m.greatpokerhands.cn/siemens/92081.html Tue, 24 Dec 2024 04:52:24 +0000 http://m.greatpokerhands.cn/?p=92081

首先,應對MM440變頻器的控制接線圖有

]]>
首先,應對MM440變頻器的控制接線圖有所了解。

一、調試前準備
確認電機與變頻器已正確連接,且電機處于空載狀態 。

二、 恢復出廠設置

三、設定電機參數

四、設定開關量輸入信號參數

如果使用模擬量控制頻率需要設定模擬量相關參數

如果使用多段速功能需要設定多段速參數

下面是參數設置實例,僅供參考:

  • DIP開關為2 ? OFF=50HZ (一般為默認,不用調
  • P0010=1 ? ? ? 調試參數過濾器:快速調試
  • P0003=1 ? ? ? 用戶訪問級:標準級,可以訪問最經常使用的一些參數
  • P0100=0 ? ? ? 使用地區:歐洲[kW],缺省值50Hz
  • P0304=380V ? ?電機額定電壓:
  • P0305=28A ? ? 電機額定電流
  • P0307=11KW ? 電機額定功率
  • P0310=50Hz ? ?電機額定頻率
  • P0311=726 ? ? ?電機額定速度
  • P0700=1 ? ? ? ?選擇命令源:BOP(鍵盤)設置
  • P1000=1 ? ? ? ?頻率設定的選擇:電動電位計給定
  • P3900=1 ? ? ? ?快速調試結束 ? ? ? 顯示BUSY

按面板上電機啟動鍵起動電機后停止再進行其它的設置

  • P0003=3 ? ? ? ?用戶訪問等級:專家級(可以訪問所有參數)
  • P0700=2 ? ? ? ?選擇命令源:由端子排輸入
  • P1000=2 ? ? ? ?頻率設定值的選擇:模擬量給定
  • P0701=9 ? ? 5號端子 ? ? 數字輸入1的功能,故障確認
  • P0702=0 ? ? 6號端子 ? ? 數字輸入2的功能,禁止輸入
  • P0703=1 ? ? 7號端子 ? ?數字輸入3的功能,ON/OFF1(接通正轉/停車命令1)
  • P0704=2 ? ? 8號端子 ? ?數字輸入4的功能,ON reverse/OFF1(接通反轉/停車命令1)
  • P0971=1 ? ? 從RAM到EEPROM的數據傳送
  • BUSY ? ? ? 調試結束
]]>
一文了解變頻器接線端子的使用方法 http://m.greatpokerhands.cn/maintainance/2421.html Tue, 25 Jul 2023 07:35:33 +0000 http://m.greatpokerhands.cn/?p=2421

變頻器廣泛應用于工業生產領域,在使用過程

]]>
變頻器廣泛應用于工業生產領域,在使用過程中,變頻器的接線端子是連接變頻器和外部設備的接口,正確的接線方法可以保證變頻器的正常工作,提高設備的運行效率。

一、變頻器接線端子的種類

  1. 電源輸入端子:用于連接輸入電源,通常有380V,220V,對應的端口為L1,L2,L3,或者R、S、T三相交流電輸入。
  2. 電源輸出端子:用于連接電機或其他負載設備,通常有U、V、W三相交流電輸出,P+和N-直流母線端子
  3. 控制信號端子:用于連接控制信號,如啟動、停止、正轉、反轉等,通常連接的是+24V,com和數字量多功能定義端子。
  4. 參數設置端子:用于調整變頻器的參數,如頻率、電壓、電流等,通過連接的是10V,GND和模擬量端子。
  5. 保護端子:用于連接保護裝置,如制動電阻端子,接地端子等。
  6. 通訊端子:用于RS485,PROFINET通訊等。

二、變頻器端子的使用方法

變頻器端子的使用過程中,往往要配合著參數設定來控制變頻器的轉動、轉速。

首先,可以通過數字量輸入端子來控制如啟動,停機,FWD正轉、REV反轉,可以采取源式PNP接線,一端接24V+,一端接數字量輸入端子,或者漏式NPN接線,一端接com,一端接數字量輸入端子。

變頻器在設定端子功能時,還可以自行定義邏輯信號的正反邏輯。以減速停機為例,如果端子設為正邏輯,代表端子給入信號的時候,變頻器執行停機無法啟動。所以減速停機功能一般設為反邏輯,變頻器上電時端子給入信號,代表不執行減速停機,而端子信號斷開,則變頻器立刻執行減速停機。

其次,可以通過模擬量輸入端子來控制速度頻率等給定參數,并用電位器來進行控制。常用的為+10V,GND和模擬量輸入端,在參數中要設置10V對應的模擬量。

另外,還可以通過各個輸出端子來輸出各種參數,外接PLC或上位機等設備。

]]>
ABB ACS530/580變頻器無法啟動的應對措施 http://m.greatpokerhands.cn/abb/2180.html Thu, 20 Oct 2022 01:46:49 +0000 http://m.greatpokerhands.cn/?p=2180

ACS530/ACS580控制板接線如下

]]>
ACS530/ACS580控制板接線如下:

ACS530沒有速度給定,只有頻率給定(28組參數)

檢查要點:

  1. 查啟動信號(DI1)接線,啟動信號參數設置? (2001/2002/2003? ?2006/2007/2008)
  2. 檢查模擬量輸入 AI1/AI2接線及模擬輸入信號的數值,頻率給定/速度給定參數設置
    • 28組(頻率給定)? 22組(速度給定)
  3. 檢查外部控制地參數設置? ?參數19.11
  4. 檢查控制地參數和頻率給定參數以及啟動信號的參數對應:
    • 20組(啟動/停止控制)? 22組/28組(給定選擇) 19.11(控制地選擇)
    • 選擇外部控制地1,不能設置外部控制2的啟動命令以及給定
    • 選擇外部控制地2,不能設置外部控制1的啟動命令以及給定
  5. 檢查恒速控制接線,恒速參數設置? ? ? 22組(恒速設置)? 28組(恒頻設置)
  6. 檢查PID控制的給定值以及PID傳感器控制接線? ?40組參數



]]>
ABB ACS800變頻器不能運行的處理 http://m.greatpokerhands.cn/abb/2178.html Thu, 20 Oct 2022 01:40:14 +0000 http://m.greatpokerhands.cn/?p=2178

ACS800控制接線如下: 檢查要點:

]]>


ACS800控制接線如下:

檢查要點:

  1. 檢查啟動信號(DI1)接線,啟動信號參數設置(1001/1002)
  2. 檢查模擬量輸入 AI1/AI2接線及模擬輸入信號的數值,頻率給定/速度給定參數設(1103/1106)
  3. 檢查外部控制地參數設置(1102)
  4. 檢查控制地參數和頻率給定參數以及啟動信號的參數對應:
    • 控制地(1102) 頻率給定(1103/1106)   啟動/停止(1001/1002) 
    • 選擇外部控制地1,不能設置外部控制2的啟動命令以及給定
    • 選擇外部控制地2,不能設置外部控制1的啟動命令以及給定
  5. 檢查按鈕給定(增加/減少)接線以及對應參數。(1103/1106)
  6. 檢查恒速控制接線,恒速參數設置   12組參數
  7. 檢查PID控制的給定值以及PID傳感器控制接線  PID控制參數設置(包括PID給定參數設置和反饋參數設置)  40組參數



]]>
ABB變頻器 ACS510/550無法啟動運行的應對措施 http://m.greatpokerhands.cn/abb/2168.html http://m.greatpokerhands.cn/abb/2168.html#respond Thu, 20 Oct 2022 01:38:17 +0000 http://m.greatpokerhands.cn/?p=2168

ACS510/550控制接線如下 檢查要

]]>
ACS510/550控制接線如下

檢查要點:

  1. 11號端子和12號端子的連接。檢測:11端子和12端子電阻為0歐。
  2. 允許運行信號丟失。檢測:以黑表筆接12號,紅表筆接18號,應為24V。否則,為允許運行信號丟失。允許運行參數設置和接線要匹配。
  3. 啟動信號丟失。檢測:以黑表筆接12號,紅表筆接13號,應24V。否則,為啟動運行信號丟失。啟動/停止參數設置和接線要匹配。
  4. 模擬量給定信號丟失或者其他給定信號丟失。檢測:模擬輸入數值或數字口的輸入電壓,模擬量參數的設置。
  5. 外部控制地信號和啟動信號或給定信號要匹配。
    • 選擇外部控制地1,但設置外部控制地2的啟動命令。
    • 選擇外部控制地2,但設置外部控制1的啟動命令。
  6. 恒速信號丟失:檢測:12號端子和17號端子之間應有24V,否則不能實現恒速。恒速參數設置和接線要匹配。
  7. PID控制中,反饋信號大于給定信號或沒有給定信號
    • 檢查PID參數設置:4010=PID給定設置;
    • 檢查反饋信號參數:0130 比較4010和0130大?。?/li>
    • 檢查外部傳感器和變頻器之間的接線。
]]>
http://m.greatpokerhands.cn/abb/2168.html/feed 0
DELTA臺達VFD-E變頻器接線圖和接線注意事項 http://m.greatpokerhands.cn/delta/785.html http://m.greatpokerhands.cn/delta/785.html#respond Mon, 17 Jun 2019 01:28:05 +0000 http://m.greatpokerhands.cn/?p=785

臺達VFD—E系列變頻器是臺達變頻器的第

]]>
臺達VFD—E系列變頻器是臺達變頻器的第三代產品,功率范圍覆蓋200W~22kW, VFD-E變頻器在產品功能、性能與控制技術上保留了以往產品的優點的基礎上,添加了極具特色的內置PLC功能,以全新的市場應用角度、精巧的尺寸和靈活的模塊化設計、環保設計,滿足業界最多元化的需求,并廣泛應用于風機水泵、手扶梯、洗衣機、跑步機、磨床、機械手臂、鉆孔機、木工機、紡織機、樓宇空調、輸送設備、醫療設備、食品加工及包裝機等行業。

在臺達VFD-E變頻器安裝調試過程中,根據臺達VFD-E變頻器不同的型號,接線方式也略有不同,詳細如下:

一、臺達VFD-E變頻器VFD002E11A/21A, VFD004E11A/21A, VFD007E21A, VFD002E11C/21C, VFD004E11C/21C, VFD007E21C, VFD002E11P/21P, VFD004E11P/21P, VFD007E21P

二、臺達VFD-E變頻器VFD002E23A, VFD004E23A/43A, VFD007E23A/43A, VFD015E23A/43A, FD002E23C,VFD004E23C/43C, VFD007E23C/43C, FD015E23C/43C,VFD002E23P, VFD004E23P/43P,VFD007E23P/43P, VFD015E23P/43P

三、臺達VFD-E變頻器 VFD007E11A, VFD015E21A, VFD022E21A, VFD007E11C, VFD015E21C, FD022E21C


四、臺達VFD-E變頻器 VFD022E23A/43A, VFD037E23A/43A, VFD055E23A/43A, VFD075E23A/43A, FD110E23A/23C,VFD110E43A/43C, VFD022E23C/43C, VFD037E23C/43C,VFD055E23C/43C, FD075E23C/43C,VFD150E23A/23C, VFD150E43A/43C, FD185E43A/43C, VFD220E43A/43C

五、臺達VFD-E變頻器 VFD002E11T/21T, VFD004E11A/21T, VFD007E21T

六、臺達VFD-E變頻器 VFD002E23T, VFD004E23T/43T, VFD007E23T/43T, VFD015E23T/43T

七、NPN 模式與PNP 模式

八、臺達VFD-E變頻器接線注意事項:

  • 主回路配線與控制回路的配線必需隔離,以防止發生誤操作。
  • 控制配線請盡量使用隔離線,端子前的隔離網剝除段請勿露出。
  • 電源配線請使用隔離線或線管,并將隔離層或線管兩端接地。
  • 通??刂凭€都沒有較好的絕緣。如果因某種原因導致絕緣體破損,則有可能因高壓進入控制電路(控制板),造成電路損毀或設備事故及人員危險。
  • 交流馬達驅動器、馬達和配線等會造成噪聲干擾。注意周圍的傳感器(sensor) 和設備是否有誤動作以防止事故發生。
  • 交流馬達驅動器輸出端子按正確相序連接至3相馬達。如馬達旋轉方向不對,則可交換U、V、W中任意兩相的接線。
  • 交流馬達驅動器和馬達之間配線很長時,由于線間分布電容產生較大的高頻電 流,可能造成交流馬達驅動器過電流跳機。另外,漏電流增加時,電流值的精度會相對的變差。因此,對≤3.7kW交流馬達驅動器至馬達的配線長度應約小于 20m。更大容量約小于50m為好;如配線很長時,則要連接輸出側交流電抗器。
  • 交流馬達驅動器接地線不可與電焊機、大馬力馬達等大電流負載共同接地,而必須分別接地。
  • 接地端子E 以第三種接地方式接地,460V 機種以特種接地方式接地。
  • VFD-E 交流馬達驅動器內部并無安裝制動電阻,在負載慣性大或頻繁啟動/停止的使用場合時,可選購加裝制動電阻。
  • 為了安全和減少噪聲,230V 系列采用第三種接地(E ),460V 系列采用特種接地(E )。
  • 多臺的變頻器被安裝在一起時,所有變頻器必須直接連接到共同接地端。
]]>
http://m.greatpokerhands.cn/delta/785.html/feed 0
VACON偉肯變頻器接線圖和偉肯變頻器工作原理 http://m.greatpokerhands.cn/vacon/636.html http://m.greatpokerhands.cn/vacon/636.html#respond Tue, 21 May 2019 07:00:03 +0000 http://m.greatpokerhands.cn/?p=636

偉肯VACON是丹佛斯集團旗下的全球領先

]]>
偉肯VACON是丹佛斯集團旗下的全球領先的變頻驅動及逆變器產品品牌。偉肯變頻器擁有完備的電機和過程控制功能,產品的可控性、可編程特性、安裝便利性及模塊化程度更高,可根據各行業過程控制應用的不同要求實現電機驅動的優化,并通過選件卡接入各種現場總線系統。用戶只需根據應用進行簡單的選擇與設定,即可在精確的電機控制與能源節約方面獲得切實的利益回報。以下是偉肯各系列變頻器的接線示意圖。

VACON偉肯10系列變頻器接線圖


VACON偉肯20系列變頻器接線圖

VACON偉肯100系列變頻器接線圖

VACON偉肯NX系列變頻器接線圖

]]>
http://m.greatpokerhands.cn/vacon/636.html/feed 0
海利普變頻器接線圖大全 http://m.greatpokerhands.cn/others/612.html http://m.greatpokerhands.cn/others/612.html#respond Thu, 09 May 2019 08:39:13 +0000 http://m.greatpokerhands.cn/?p=612

海利普變頻器是丹麥丹佛斯旗下的全資子品牌

]]>
海利普變頻器是丹麥丹佛斯旗下的全資子品牌,所生產的變頻器廣泛應用于起重、紡織、印染、石油、化工、建筑、建材、橡膠、塑料、包裝、印刷、造紙、食品、飲料、環保、水處理、機床等行業。

海利普變頻器主要由整流、濾波、逆變、驅動單元、制動單元、檢測單元微處理單元等組成。采用交-直-交工作原理,首先將三相交流電經整流模塊變換成直流,再進行濾波后,通過IGBT等其它電力電子器件逆變成頻率和電壓均可變的三相交流電供電機使用。同時,通過IGBT的開斷調整輸出電源的頻率和電壓,從而達到調速、節能的作用。以下是海利普各系列變頻器的接線示意圖。

HLP-A100系列通用矢量型變頻器接線圖

HLP-B系列高性能矢量型變頻器接線圖

HLP-C100 系列矢量型變頻器接線圖

HLP-G100系列工程型矢量變頻器接線圖

]]>
http://m.greatpokerhands.cn/others/612.html/feed 0