一個復雜的電氣控制原理圖要怎么才能變成我們需要的接線圖呢?想解答這個問題,先要搞清楚的是兩種圖文之間轉換的步驟,如下:
- 繪制接線平面布置圖
- 原理圖上編號
- 平面圖上填號
- 固定器件、號碼聯接(安裝完畢) 整理號碼
了解其中的流程后,我們以正反轉電路為例來介紹電氣原理圖與接線圖的轉換方法。
一.繪制接線平面布置圖
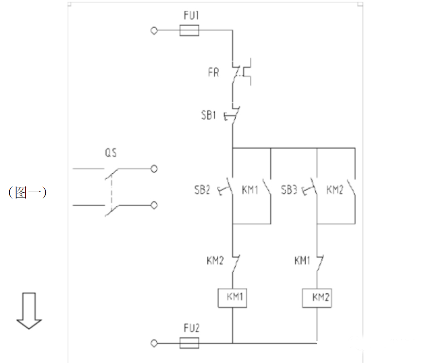
拿到原理圖先看上面有哪些器件,設計一下這些器件位置如何安放,根據柜(盤)空間繪制平面布置圖,如下面由原理圖(圖一)到實物布置圖(圖二)


以(圖二)實物視圖繪成平面布置圖,再在平面布置圖上繪出原理圖 中所有的元件符號,就形成了我們的接線基圖 -接線平面布置圖。
繪制符號可按布置圖逐個器件依次完成,也可按原理圖的順序完成。
例如下面由圖一、圖二繪出的接線平面布置圖三(實用中直接繪出 圖三)。
布置圖器件上的元件符號是根據原理圖而來, 原理圖中未用到的元件 布置圖中可以不繪。

注意;布置圖元件符號引線與實物的接線端子位置應一致, 如(圖三) 線圈引線由上下兩端引出。(10A 接觸器引線)平面布置圖繪好后繼續下步聚。
二.原理圖上編號
編號由上開始向下進行,每經過一個元件編入一 個號碼,如(圖四)第一列 1-5 號,直到本列編完后向右繼續編第二 列,第三列,直至編完所有行列,使每個元件兩端都有一個號碼。編號定則:同一個原理圖上每個“編號”只能使用一次。

三.布置圖上填號
將原理圖四的號碼填入圖三所對應的器件上 如 KM1 常開點 3,4 號, 兩個線圈的一端都是 0 號。
填號要注意常開 常閉不能弄錯。由“填號定則” ①、②推得:元件兩端號碼的填入, 不論上下、右左、和先后秩序。
號碼填好后形成下面的接線圖:

四.整理號碼
整理號碼相對復雜電路而言, 目的是使布置圖上相同的號碼趨于集中 便于接線,(盡量使“同號”相鄰或處于器件的同側)整理號碼根 據”填號定則 ”進行。
填號定則:
- 布置圖中一個元件兩端號碼對調,原電路不變。
- 同一個器件上功能相同的元件,左邊與右邊號碼整對互換原電路 不變。
五.接線
按接線圖(如圖五)固定好器件,再將圖上相同號碼的端子用導線聯接起來安裝就完成了,相信你能行。

